
![]() |
PID自動調整 |
| 變頻恒壓供水一拖多 | |
| 功能較全 | |
| 價格較優 | |
| 武漢變頻供水 | |
| 相關附件:點擊下載 |
PID自動調整·經濟可靠·操作簡單、方便
專用水泵變頻恒壓供水一拖多·功能齊全·性價比高
BK-3000變頻恒壓供水控制器
本系列產品采用微電腦控制技術,它和變頻器、水泵組合即構成生活、消防或兩者共用供水系統。
■ 參數豐富:近60項功能參數,可滿足用戶的各種復雜要求
■ 功能強大:定時換泵,定時開關機,定量泵巡查,附屬小泵等功能,使整套設備能滿足不同用戶要求。
■ 配置靈活:循環方式2-4臺泵+1臺附屬小泵;固定方式1臺變頻泵+1-8臺定量泵。
■ 使用方便:面板表卡式安裝,安裝使用方便。防塵、防水工業面板,CE標準設計。簡化鍵盤菜單式設定和調整工作狀態,調試簡單。采用智能PID算法,PID參數自整定,高精度,高可靠性。
■ 可靠性高:元器件采用SMT(表面貼裝)工藝焊接,使整機性能更加穩定。硬件上采用WATCHDOG(看門狗)電路,另外每秒鐘微機自動復位一次和輸出狀態硬件鎖存電路,軟件上引入容錯概念和去干擾等算法。
■ 在線編程功能,大大方便調試
■ 按鍵輸入采用非線性方式,按住5秒數據可以快速改變參數
■ 開關電源供電,具有交流85-265V的寬電壓適用范圍
|
|
|
二、功能 ■ 一至四泵工作可編程設定。 ■ 泵全軟起動,以先起先停為原則。 ■ 無加泵需要時可定時換泵工作。 ■ 可設定上限保護壓力。 ■ 可設定(0-5V)或(4-20mA)輸入。 ■ 可補償傳感器誤差。 ■ 遠傳消防功能。 ■ 鍋爐補水時,采用動靜壓方式。 ■ 設定壓力和實時壓力顯示。 |
■ 變頻器頻率顯示和實時壓力顯示。 ■ 具有變頻器故障、遠傳表故障或欠壓超時和水位、報警指示。 ■ 具有實時時鐘(帶掉電保護)功能。可編程每日8段控制程序。 ■ 具有兩種節能模式,休眠功能和帶附屬小泵功能。 ■ 可編程工作期限。 ■ 完善的密匙功能 |
三、技術指標
■ 使用電源:AC 85~265V
■ 功 耗: < 3W
■ 觸點容量:5A / 250 AC 5A / 30V DC
■ 使用溫度:0°C ~ 40°C
■ 儲存溫度:-100°C ~ 85°C
■ 相對濕度:20 ~ 90 RH
■ 開孔尺寸:寬152mm 高mm76。
■ 外尺寸:寬160mm,高80mm,深95mm。
■ 安裝方法:插入式。
■ 安裝環境:無水滴、蒸汽、腐蝕和易燃氣體、灰塵、金屬微粒之場所。
1. 控制器端子接線圖如下:
注:虛線內為控制器內元件
2. 控制器端子接線圖說明
|
端子 |
控制器端子接線圖說明 |
|
5V / IN / COM |
模擬輸入,連接電阻遠傳壓力表。接4-20mA信號時,在IN和COM間并接250歐姆精密電阻(若接變送器,需外接24V穩壓電源)。 |
|
I1 |
低水位信號輸入。 I1有效(與G2短接)時,系統停止運行,顯示Er01報警。當I1與G2斷開時,系統恢復運行。 |
|
I2 |
外部報警信號輸入。I2有效(與G2短接)時,系統停止運行,顯示Er02報警,I2與G2斷開時,報警依然保持,按編程鍵可取消報警。 當做多泵系統(有兩個以上的泵同時運行的情況)時,請接變頻器報警輸出信號,以免變頻器發生故障時系統不知道,導致工頻泵直起,威脅管網安全。 |
|
I3 |
第*二壓力選擇信號。I3有效(與G2短接)時,設定壓力變為參數Pr001的值,此功能主要為鍋爐補水時選用。 |
|
G2 |
I1,I2,I3的輸入公共端
|
|
D/A -- G |
模擬輸出。0—10V電壓信號,接變頻器頻率控制端子。 |
|
FR / RM / CM |
變頻器運行控制端,集電極開路輸出,CM為公共端,容量30mA。FR接變頻器運行控制端,RM接變頻器滑行停止端(當系統工作于循環啟動方式時,否則不必接RM)。若變頻器無滑行停止端子,應將變頻器停止方式設為滑行停車方式(或叫自由停車方式)。 |
|
B1—B4 |
變頻泵控制輸出,接交流220V接觸器,觸點容量5A。當驅動大功率接觸器時,請加中間繼電器,以下同。 |
|
D1—D4 |
工頻泵控制輸出,接交流220V接觸器,觸點容量5A。 |
|
D5 |
附屬小泵控制接點,接交流220V接觸器,觸點容量5A。 |
|
PE / N / L |
AC220V電源,PE為接地端。 |
3. 與常用變頻器的連接方法
|
|
富士 |
西門子 |
三星 |
臺達 |
三肯 |
松下電器 |
明電舍 |
ABB |
本控制器適合于所有變頻器,具體連接方法沒有列舉的歡迎來電咨詢。 |
|
D/A |
12 |
3 |
11 |
AVI |
VRF |
FIN |
FSV |
AI1 |
|
|
G |
11 |
4 |
9 |
ACM |
ACM |
G |
COM |
AGND |
|
|
FR |
FWD |
5,6 |
1 |
FWD |
FR |
I1 |
FRUN |
DI1 |
|
|
RM |
BX |
|
|
RST |
R/M |
I4 |
|
|
|
|
CM |
CM |
9 |
7 |
DCM |
DCM1 |
G |
RYO |
AGND |
注:
■ 將變頻器的頻率控制和起停設為外部控制方式。
■ 當系統工作于循環啟動方式時,若變頻器無滑行停止端子,應將變頻器停止方式設為滑行停車方式(或叫自由停車方式)。
■ 變頻器運行控制端子(FR / RM / CM)是有方向性的,要確保電流從FR,RM流進,從CM流出。判斷變頻器控制端子極性的方法一是看說明書,二是用萬用表電流檔接變頻器的控制端子和公共端子,根據顯示是正是負判斷。
■ 控制回路應用屏蔽線,且務必要與強電回路分開布線。
很多用戶在配線時為追求美觀都會把控制回路和變頻器的380V輸入輸出線放到一個線槽或捆在一起,因為變頻器是工作于SPWM方式,強電回路含有高次諧波具有有很強的干擾性,會通過控制回路對系統造成干擾,所以這是不允許的,務必設法將它們分開或交叉配線。
■ 請務必在接觸器線圈兩端并聯R-C滅弧器。
接觸器在吸合和斷開的瞬間其線圈兩端會產生很高的反電動勢,造成控制器內繼電器觸點打火,嚴重干擾控制器的運行,短時間也許不會有問題,但系統還是常年不間斷運行的,為保證系統常年運行的可靠性請務必在接觸器線圈兩端并聯R-C滅弧器,又稱阻容吸收器。請根據接觸器的容量選折成品,自制可選68歐姆/2W電阻串0.01U/耐壓2000V CBB聚丙稀薄膜電容器(務必要選2000V以上電容,選擇普通電容很容易激穿)。
4. 常用接線原理圖
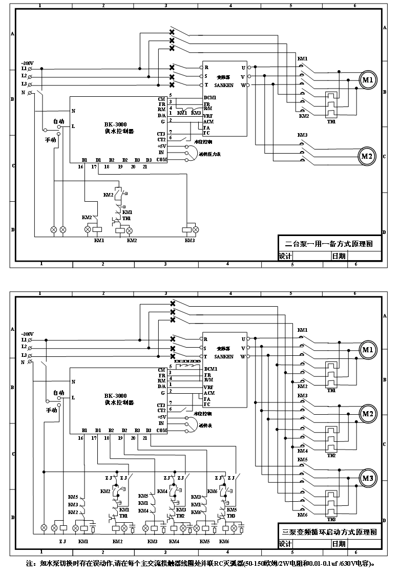
(1)標準二臺泵一用一備方式原理圖(以三墾變頻器為例,見附圖1)。
(2)標準四臺泵循環軟啟動方式或一變頻泵+三工頻泵直起方式原理圖(以三墾變頻器為例,見附圖2)。
(3)變頻泵固定+三工頻泵直起方式原理圖(以三墾變頻器為例,見附圖3)。
(4)變頻泵固定+八工頻泵直起方式原理圖(以三墾變頻器為例,見附圖4)。
(5)多變頻泵工作方式原理圖(以三墾變頻器為例,見附頁圖5)。
(6)二泵一用一備無負壓供水方式原理(以三墾變頻器為例,見附圖6 )
注: 以上為基本接線圖, 用戶可據此另行設計。
五、參數表
|
參數 |
功能 |
參數范圍 |
出廠值 |
說明/注釋 |
|
|
壓力設定組 |
Pr000 |
設定壓力1 |
0.0-2.50 |
0.30 |
單位:MPa |
|
Pr001 |
設定壓力2 |
0.0-2.50 |
0.25 |
單位:MPa |
|
|
Pr002 |
設定壓力3 |
0.0-2.50 |
0.20 |
單位:MPa 小泵變頻工作時的壓力 |
|
|
Pr003 |
超壓設定值 |
0.0-0.99 |
0.10 |
單位:MPa 實際壓力>設定壓力+Pr003,頻率會迅速下降。 |
|
|
Pr004 |
欠壓報警閾值 |
0.0-2.50 |
00 |
單位:MPa =.000--此功能禁用 實際壓力<Pr004, 40秒后停機,Er003報警 |
|
|
Pr005 |
欠壓報警自恢復時間 |
0-99 |
00 |
單位:分鐘 00--此功能禁用 欠壓報警停機后,經過Pr005設定的時間,系統自動恢復工作(可以代替水位傳感器的工作)。 |
|
|
傳感器組 |
Pr006 |
傳感器類型 |
0-1 |
00 |
00— 0-5V輸入 01-- 4--20mA輸入 |
|
Pr007 |
傳感器量程 |
0.0-2.55 |
1.10 |
單位:MPa (與遠程壓力表滿量程相等如1.6Mpa d壓力表設置值為:1.6) |
|
|
Pr008 |
傳感器校零 |
0-99 |
8 |
無單位, 添入適當值使零壓力時的顯示數值剛好為”0” |
|
|
Pr009 |
保留 |
|
|
|
|
|
Pr010 |
輸入信號平滑處理 |
0-10 |
2 |
系統震蕩加大時,加大此值 |
|
|
Pr011 |
采樣時間 |
0-99 |
20 |
單位:x40ms 根據現場實際情況調整 |
|
|
控制組 |
Pr012 |
工作方式 * |
0-09 |
1 |
00--單泵工作;01--標準循環啟動方式;02--直接啟動方式1; 03--鍋爐補水;04—直接啟動方式2; 05--多變頻泵方式; 06—無負壓供水方式 07-消防A型 ; 08--消防B型 09-消防C型 10-消防D型 |
|
Pr013 |
輸出控制方式 |
0-1 |
0 |
0--PID方式 1—上下限控制方式 注:工作于上下限控制方式時, 上限=設定壓力x(1+Pr021);下限=設定壓力x(1-Pr021) |
|
|
泵屬性組 |
Pr014 |
上電首先工作泵號 |
0-3 |
0 |
0--#1泵 1-- #2泵 2-- #3泵 3-- #4泵 |
|
Pr015 |
#1泵屬性 |
0-1 |
1 |
0--禁止工作 1--允許工作 |
|
|
Pr016 |
#2泵屬性 |
0-1 |
1 |
0--禁止工作 1--允許工作 |
|
|
Pr017 |
#3泵屬性 |
0-1 |
1 |
0--禁止工作 1--允許工作 |
|
|
Pr018 |
#4泵屬性 |
0-1 |
0 |
0--禁止工作 1--允許工作 |
|
|
切泵條件組 |
Pr019 |
加泵延遲時間 |
0-99 |
30 |
單位:秒 |
|
Pr020 |
減泵延遲時間 |
0-99 |
10 |
單位:秒 |
|
|
Pr021 |
泵切換偏差 |
0-20% |
5% |
設定壓力與實際壓力的偏差在此范圍內,不進行減泵或加泵,適當選取此值可以減少加減泵的頻度,防止震蕩 |
|
|
Pr022 |
允許工作泵數量 |
0--9 |
3 |
實際工作泵的數量達到此數值,不再加泵 |
|
|
Pr023 |
定時換泵時間 間隔 |
0-99 |
24 |
單位:小時 0--取消定時換泵; 當一臺泵單獨工作時間超過此參數時,進行倒泵動作 |
|
|
Pr024 |
定時換泵計時器 |
0--99.59 |
只讀 |
單位:小時-分鐘 顯示單臺泵連續工作時間,2個以上泵同時工作時,此參數清零。 |
|
|
休眠控制 |
Pr025 |
休眠使能 |
0--2 |
0 |
0--禁止 1--附屬小泵工頻工作(不接小泵既為休眠工作方式)2--附屬小泵變頻工作 |
|
Pr026 |
開始休眠或附屬小泵工作判斷頻率 |
0-50 |
35 |
單位:Hz 此參數與變頻器實際頻率會有差別,請以控制器顯示頻率為準 |
|
|
Pr027 |
休眠開始或附屬小泵啟動延遲時間 |
0-4 |
4 |
單位:分 當變頻器頻率低于Pr026 且時間超過Pr027既進入休眠狀態或啟動附屬小泵 |
|
|
Pr028 |
退出休眠狀態或停附屬小泵壓力 |
0-2.50 |
0.25 |
單位:MPa |
|
|
密匙組 |
Pr029 |
密碼1 |
0-99 |
55 |
必須為非55的數值,以下同 |
|
Pr030 |
密碼2 |
0-99 |
55 |
|
|
|
Pr031 |
密碼3 |
0-99 |
55 |
|
|
|
Pr032 |
可工作天數 |
0-99 |
0 |
單位:x 5天 即設1為5天,設2為10天。。。將Pr029—Pr031設為非55的數,然后設定Pr032即開始倒*計*時*工作。 |
|
|
系統功能 |
Pr033 |
參數鎖定 |
0-2 |
0 |
0--參數不鎖定 1--除Pr000和Pr033外都鎖定2--除Pr033外,包括上升和下降鍵都鎖定 |
|
Pr034 |
恢復出廠值* |
0-1 |
0 |
1--恢復出廠值 此操作只在上電時編程且Pr032=0有效 |
|
|
Pr035 |
保留 |
|
|
|
|
|
消防組 |
Pr036 |
尋檢周期 |
0--99 |
7 |
單位:天 |
|
Pr037 |
尋檢時每臺泵運轉時間 |
0--99 |
15 |
單位:X 2秒 |
|
|
Pr038 |
尋檢方式 |
0,1 |
|
0--變頻巡檢, 1--工頻巡檢 |
|
|
Pr039 |
尋檢頻率 |
0--50 |
25 |
單位:Hz 變頻巡檢時的頻率 |
|
|
運
行
時
間
組 |
Pr040 |
實際時間 |
---- |
---- |
上升鍵設定小時,下降鍵設定分鐘 (僅/ T型機有此功能) |
|
Pr041 |
定時運行時使用時間段數 |
0--8 |
0 |
00—定時運行無效 例如:需5:點30分第*一壓力工作, 22點30分停機 則設Pr041為2。 |
|
|
Pr042 |
#1時段起始時間 |
0-23.59 |
05.30 |
小時..分 |
|
|
Pr043 |
#1時段狀態選擇 |
00--03 |
01 |
00—關機 01— 第*一壓力 02—第*二壓力 03—附屬小泵變頻工作,壓力為設定壓力3(見Pr002)。注:設定壓力3,休眠功能無效。下同 |
|
|
Pr044 |
#2時段起始時間 |
0-23.59 |
06.30 |
小時..分 |
|
|
Pr045 |
#2時段狀態選擇 |
00--03 |
2 |
*上同Pr043 |
|
|
Pr046 |
#3 時段起始時間 |
0-23.59 |
08.10 |
小時..分 |
|
|
Pr047 |
#3 時段狀態選擇 |
00--03 |
1 |
*上同Pr043 |
|
|
Pr048 |
#4時段起始時間 |
0-23.59 |
11.30 |
小時..分 |
|
|
Pr049 |
#4 時段狀態選擇 |
00--03 |
2 |
*上同Pr043 |
|
|
Pr050 |
#5時段起始時間 |
0-23.59 |
13.00 |
小時.分 |
|
|
Pr051 |
#5 時段狀態選擇 |
00--03 |
1 |
*上同Pr043 |
|
|
Pr052 |
#6時段起始時間 |
0-23.59 |
17.00 |
小時.分 |
|
|
Pr053 |
#6 時段狀態選擇 |
00--03 |
2 |
*上同Pr043 |
|
|
Pr054 |
#7時段起始時間 |
0-23.59 |
21.30 |
小時.分 |
|
|
Pr055 |
#7 時段狀態選擇 |
00--03 |
1 |
*上同Pr043 |
|
|
Pr056 |
#8時段起始時間 |
0-23.59 |
23.59 |
小時.分 |
|
|
Pr057 |
#8 時段狀態選擇 |
00--03 |
0 |
*上同Pr043 |
|
|
|
Pr058 |
多變頻泵方式時下限頻率 |
00-50 |
35 |
多變頻泵方式時,小于此頻率減泵 |
|
Pr059 |
保留 |
|
|
|
|
|
Pr060 |
保留 |
|
|
|
|
|
Pr061 |
保留 |
|
|
|
|
|
Pr062 |
保留 |
|
|
|
|
|
Pr063 |
保留 |
|
|
|
|
|
Pr064 |
保留 |
|
|
|
|
|
Pr065 |
保留 |
|
|
|
|
注:
1.帶陰影的參數只在上電倒*計*時狀態下,按編程鍵進入編程狀態才可修改。
六、參數說明
|
Pr 000 |
設定壓力1 |
|
Pr 001 |
設定壓力2 |
|
Pr 002 |
設定壓力3 |
|
Pr 003 |
超壓設定值 |
|
Pr 004 |
欠壓報警閾值 |
備注:
■ 設定范圍:0.00 — 2.50 單位:Mpa (1Mpa=10公斤/每平方厘米=10標準大氣壓)
■ 設定壓力受時鐘和外端子控制 ,在無時鐘控制和外端子控制的情況下,設定壓力為: Pr00
正常工作中直接按上箭頭鍵或下箭頭鍵可改變并存儲此參數 .
■ I3有效時, 設定壓力為 :Pr 001(此功能主要為鍋爐補水使用)
■ 系統帶有小泵且小泵單獨變頻工作時,設定壓力為: :Pr 002
■ Pr 003 為安全壓力差設定值, 系統實際壓力超壓(實際壓力-設定壓力> Pr 003)時, 系統會快速降頻,減泵
■ Pr004 為傳感器失效保護或無水保護設定值 ,當傳感器出現故障, 使系統實際壓力顯示為零或很小, 會造成系統超壓威脅管網安全. 或當系統無水位傳感器(比如對于深井泵安裝水位傳感器比較困難),當長時間卻水時會造成泵的損壞.
實際壓力< Pr 004, 延時40S停機,顯示Err 003報警.
|
Pr005 |
欠壓報警自恢復時間 |
單位:分鐘
設定范圍:0-99分鐘
此參數主要為模擬水位報警器之用
某些情況(比如深井泵)安裝水位傳感器比較困難,當缺水后系統壓力降低,幾十秒后系統停機報警,經過此參數設定的時間后系統又恢復工作,再次檢驗是否缺水。。。。。。
|
Pr006 |
傳感器類型 |
|
Pr007 |
傳感器量程 |
|
Pr008 |
傳感器校零 |
|
Pr009 |
保留 |
|
Pr100 |
輸入信號平滑處理 |
■ Pr007
單位:Mpa
設定范圍:0.00—2.55 Mpa
請根據傳感器量程設定此參數
■ Pr008
單位: 無
設定范圍:0--99
1. 對于0--5V輸入的變送器,設Pr008=0
2. 對于0.5—4.5V輸入的變送器,設Pr08=25
3. 對于電阻遠傳壓力表, 大致Pr008=6-10, 調試的時候逐漸加大Pr 008, 在壓力為0的情況下使實際壓力顯示剛好為0, 再逐步調整Pr 007使實際壓力顯示與遠傳壓力表一致
|
Pr011 |
采樣時間 |
單位:40mS
設定范圍:0—99
此參數影響系統的響應速度和壓力的穩定性,請根據系統規模大小以及變頻器加減速時間調整, 系統規模大加大此參數,反之減小。調試時如發現系統震蕩比較大的時候,請加大此參數。
|
Pr012 |
工作方式 * |
■ Pr012=0 單泵工作 (參看附圖1)
通常用于只有一臺泵工作(比如只有一臺深井泵)或有兩臺泵按一備一用方式工作,請
根據實際情況設定Pr015—Pr018和Pr023, 只有一臺泵請設Pr023為0。
■ Pr012=1標準循環啟動方式(參看附圖2)
其工作過程:當變頻泵頻率上升到50Hz, 而實際壓力仍小于設定壓力,且(設定壓力-實際壓力)/ 設定壓力>= Pr021(既偏差>=Pr021)開始延時(延時時間Pr019),延時時間到后將變頻器所帶泵切換到工頻電源上,然后變頻器再啟動另外一臺泵,依此類推。
相反,若有2臺以上的泵同時工作,當頻率降到30Hz, 而實際壓力仍大于設定壓力且偏差>=Pr021開始延時(延時時間Pr020), 延時時間到后切掉一臺工頻泵,依此類推。
注:工作于此方式必須注意:
1.一定要將變頻器停車方式設為自由停車或接好自由停車控制線(參看接線端子說明的RM),且保證正式運行前控制有效。
2.原則上工作于此方式時,電機功率不得大于37KW,否則請用直接啟動方式(見以下說明)。
■ Pr012=2直接啟動方式1 (參看附圖2,3)
其工作過程:當變頻泵頻率上升到50Hz, 而實際壓力仍小于設定壓力,且(設定壓力-實際壓力)/ 設定壓力>= Pr021(既偏差>=Pr021)開始延時(延時時間Pr019),延時時間到后直接工頻啟動一臺泵,而后再滿足上述條件再起另一臺,依此類推,減泵過程與上類似,加減泵按照先起先停的原則。
與Pr012=1不同的是,加減泵過程中變頻泵固定不切換。 按附圖2接線,當變頻泵連續工作時間超過Pr023的值,則變頻器切換到另一臺泵。
若設Pr023=0, 則可簡化成附圖3的接線,此時變頻器帶固定泵,不可輪換工作。
注:
1. 超過11KW的 水泵請用軟起動器或采用自耦降壓,星-三角啟動等方式,線路請參考附圖2,3另行設計。
2. 工作于此方式下不可將變頻器停車方式設為自由停車方式,也不可接自由停車控制線
Pr012=3鍋爐補水(參看附圖1)
工作方式與Pr012=0基本相同,實際壓力>設定壓力+Pr003時,端子D3有效,用來接電磁閥瀉壓,實際壓力<=設定壓力,端子D3失效(關電磁閥)。
■ Pr012=4直接啟動方式2 (參看附圖4)
與直接啟動方式1基本相同,需設Pr023=0, 可啟動8臺工頻泵
■ Pr012=5多變頻泵方式(參看附圖5)
這是針對一臺變頻器帶一臺泵的多泵系統,通常用于要求比較高的用戶。加泵條件與上相同,延時后啟動另一臺變頻泵。不同的是減泵過程,當2臺以上的泵同時工作時,當頻率低于Pr058即刻延時不再判斷壓力,延時后停一臺變頻器,同樣按先起先停的原則。
■ Pr012=6 無負壓給水方式(參看附圖6)
對于自來水管網有一定壓力,用水量又不大且用水不太集中的用戶(比如辦公樓),無負壓給水方式將是一種比較節能而且又節省設備投資的方式,它省去了儲水池和大的緩沖罐利用自來水管網的壓力直接進行二次加壓,既節省了設備、節省了空間又節約了能源。
控制方式與Pr012=0 相似,不同的是在自來水管網的進戶處增加一只壓力傳感器,Pr002作為管網安全壓力值,當測得管網壓力低于此參數則降低變頻器的頻率,保證管網壓力不低于安全壓力。
■ Pr012=7、8、9、10
對于消防功能另有說明
|
Pr022 |
允許工作泵數量 |
可以根據需要靈活設置可同時工作的泵的數量是等于或小于實際配置泵的數量,但所有的泵都可以參加循環和定時自動輪換。
例如:系統設置了4臺泵,并且設定了Pr015=1、Pr016=1、Pr017=1、Pr018=1,但暫時用水量很小,一臺泵即可滿足用水量,則設置Pr022=1,那么任何情況下都只有一臺泵在工作,但所有泵都會定時自動輪換。
|
Pr025 |
休眠使能 |
|
Pr026 |
開始休眠或附屬小泵工作判斷頻率 |
|
Pr027 |
休眠開始或附屬小泵啟動延遲時間 |
|
Pr028 |
退出休眠狀態或停附屬小泵壓力 |
系統提供了休眠,加附屬小泵兩種節能模式,實際工作起來是一種方式,既接了小泵就是小泵工作模式,不接小泵就是休眠模式。其中小泵可工作在工頻也可工作在變頻。
|
Pr029 |
密碼1 |
|
Pr030 |
密碼2 |
|
Pr031 |
密碼3 |
|
Pr032 |
可工作天數 |
■ 密碼的使用 在編程狀態下,將Pr029—Pr031設為非55的數值(55為出廠值,設為非55的數值也就是必須修改這三個密碼后才可以設定Pr032,避免編程時誤操作而修改了Pr032),切記記下此三個密碼。Pr032設置適當值,按確認鍵后既進入倒*計*時*狀態,Pr032不可再編輯。若想再修改Pr032的值需解鎖后再重新設定。
■ 解鎖 在上電倒*計*時*狀態下按編程鍵進入編程狀態,將Pr029—Pr031分別輸入事先輸入的密碼,按確認鍵,然后從新上電既取消倒*計*時*工作。
|
Pr033 |
參數鎖定 |
|
Pr034 |
恢復出廠值* |
■ 為避免外人隨便操作,應將參數鎖定,通常設Pr033=1,用戶即可自由修改設定壓力,而又不會修改別的參數。
■ 某些情況下由于人為或外界的干擾會造成系統的混亂,此時可恢復出廠值,再重新設定。恢復出廠值的操作需在上電倒*計*時*結束前,將Pr034 設為1,按確認后退出。
|
Pr040 |
實際時間 |
|
Pr041 |
定時運行時使用時間段數 |
|
Pr042 |
#1時段起始時間 |
|
Pr043 |
#1時段狀態選擇 |
定時工作也是一種節能模式,又可分三種方式:
■ 定時供水 在某些地區還在使用,既一*天分幾段時間供水。
■ 定時調壓 用水高峰時用壓力1,低谷時用較小的壓力2
■ 定時小泵 用水高峰時用大泵,低谷時用小泵且用較小的壓力3(Pr002)
1、 操作面板
編程鍵(
) 在任何狀態下按此鍵進入或退出編程狀態,指示燈“PROG”亮和滅分別表示進入已經進入和退出編程狀態。
■ 上升鍵(
) 在編程狀態下,增加參數號或數據。在運行狀態下,增大設定壓力。
■ 下降鍵(
) 在編程狀態下,減小參數號或數據。在運行狀態下,減小設定壓力。
■ 確認鍵(
) 在編程狀態下,用于存儲改變的數據。在運行狀態下,改變顯示內容,“Hz”燈熄滅時,顯示“設定壓力”,反之顯示“頻率”。
■ 手動換泵 (
+
) 在自動運行狀態下,若只有一臺泵運行,則進行換泵操作。
■ 啟動/停止 (
+
) 啟動或停止系統運行。系統停止運行時,數碼顯示會閃爍,指示燈“RUN”熄滅。
■ 水泵工作狀態顯示 #1、#2、#3、#4分別指示相應泵的狀態,閃爍表示變頻運行,常亮表示工頻運行。
■ 其它狀態顯示 FIRE、SLEEP、TIME、PROG、RUN分別指示火災 、休眠狀態、顯示時間、編程狀態、運行狀態。
2、參數編輯操作
|
操 作 |
按 鍵 |
顯 示 |
|
1.任一狀態下按編程鍵 PROG燈亮 |
|
Pr 000 |
|
2.按上箭頭鍵或下箭頭鍵到需修改的參數項,例如Pr 12 |
|
Pr 012 |
|
3.按確認鍵顯示當前設定值 |
|
001 |
|
4.例如將Pr012改為0,按下箭頭鍵 |
|
000 |
|
5.按確認鍵存儲該值, 然后自動跳到下一參數項 |
|
Pr 013 |
|
6.退出編程鍵編程狀態,顯示原狀態如:設定壓力和 實際壓力 |
|
0.30 0.30 |
供貨型號:
1. 3泵循環軟起動無輔助小泵帶時鐘型: BK –3000 /30 T
2. 4泵循環軟起動無輔助小泵帶時鐘型: BK – 3000/40 T
3. 3泵循環軟起動有輔助小泵帶時鐘型: BK – 3000/ 31T
4. 4泵循環軟起動有輔助小泵帶時鐘型: BK – 3000/ 41T
5. 如果有特殊功能要求,請訂貨時說明。沒特別指明一般為標準型:BK-3000/41T(全能版)
6. 訂貨服務電話: 13986108705 魏先生
A: 如下面圖紙查看或打印不清楚,請點此處下載打印電子版 . B:(恒壓控制器完整版說明書下載)
A: 如下面圖紙查看或打印不清楚,請點此處下載打印電子版 . B:(恒壓控制器完整版說明書下載) C:(恒壓控制器完整版說明書下載 pdf格式)
上一產品:XIQ微電腦變頻泵
下一產品:武漢變頻器,武漢軟啟動器,變頻柜
武漢鑫鵬給排水自動化設備有限公司 | 電話: 13986108705 傳真:027-84709477 關于廣告法違禁詞免責聲明
地址:武漢市漢陽區城市晶品12-220-502室 郵箱:8182057@qq.com 網址: m.ezget.cn